Projekt-Beschreibung
Im Rahmen eines rechtskräftigen Planfeststellungsbeschlusses zum Neuaufschluss eines Steinbruches und der Erweiterung des Schiefer- und Kalksteinabbaues ist unser Büro damit beauftragt worden, Erschütterungsabnahmemessungen durchzuführen.
Im Einzelnen sind Messungen der durch Sprengung hervorgerufenen Schwinggeschwindigkeiten an zwei vorgesehenen Wohngebäuden
(2 Messaufnehmer pro Gebäude: Messpunkte am Fundament und im OG) durchzuführen. Am Messtag sind 2 bis 3 Sprengungen durchgeführt worden. Die abschließende Auswertung und Bewertung der Ergebnisse erfolgte dabei gemäß den Vorgaben des vorliegenden Genehmigungsbescheides basierend auf der
DIN 4150 Teil 2 und Teil 3.
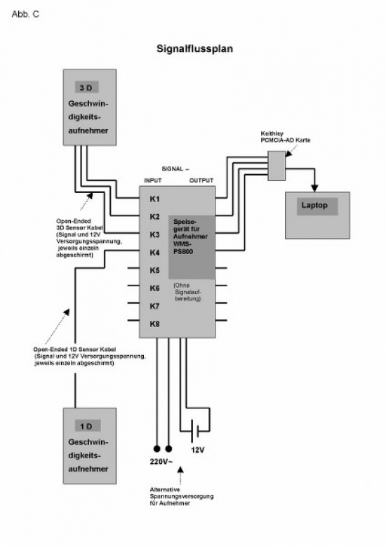
Die Messkette bestand aus kalibrierten Geschwindigkeitsaufnehmern (triaxial und monoaxial) der Fa. Lennartz und der MEDA-Messsoftware der Firma Wölfel auf einem Laptop (siehe Signalflussplan in der Abbildung). Die Meßaufnehmer erfüllen die Anforderungen der Genauigkeitsklasse 1 der DIN 45669 Teil 1.
Es wurde jeweils der Geschwindigkeits-Zeit-Verlauf für jede Ausrichtung aufgezeichnet und das zugehörige Frequenzspektrum berechnet. Die dominanten Frequenzen sind zusätzlich tabellarisch aufgeführt worden. Desweiteren wurde der KBFmax-Wert gemäß DIN 4150 Teil 2, für die jeweilige Meßperiode angegeben.
Bei Bedarf schicken wir Ihnen gerne eine ausführlichere Auflistung weiterer bearbeiteter Projekte aus diesem Leistungsbereich zu.
Bildquelle: Pixelio.de - sfelder, Abbildungen - ADU cologne

